Skip to main content

AS & BGP

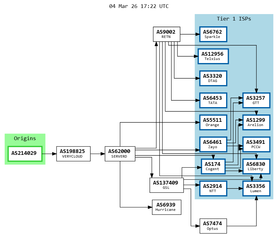
Schéma BGP.tools

image.png


Le démon BGP est bird


Configuration

IPv4

router id 82.26.157.49;

protocol kernel {
    persist;
    scan time 20;
    import none;
    export where net ~ [ 44.31.180.0/24+, 0.0.0.0/0 ];
}

protocol device {
    scan time 10;
}

protocol static {
    route 44.31.180.0/24 via "vmbr0";
}

protocol bgp BGPv4_Verycloud {
    local as 214029;
    neighbor 82.26.157.1 as 198825;
    source address 82.26.157.49;

    import where net ~ [ 0.0.0.0/0, 44.31.180.0/24+ ];
    export where net ~ [ 44.31.180.0/24+ ];
}

 

  • Import/Export : Actuellement, le routeur exporte 1 route vers le voisin, mais il en importe 0 (les 2 mises à jour reçues ont été filtrées).
  • Neighbor address: 82.26.157.1 : C'est l'adresse IP du routeur distant (vraisemblablement celui de VeryCloud/VeryGames).
  • Neighbor AS 198825 : Il s'agit du numéro d'AS (Autonomous System) de ton partenaire de peering.*
  • Session: external AS4 : Il s'agit d'une session eBGP (External BGP), utilisée pour échanger des routes entre deux entités différentes.

 

IPv6

router id 82.26.157.49;

protocol kernel {
    persist;
    scan time 20;
    import none;
    export where net ~ [ 2a10:4646:4a0::/48+, ::/0 ];
}

protocol device {
    scan time 10;
}

protocol static {
    route 2a10:4646:4a0::/48 via "vmbr0";
}

protocol bgp BGPv6_Verycloud {
    local as 214029;
    neighbor 2a10:4646:2e0::1 as 198825;
    source address 2a0c:b641:af0::1db;
    multihop;
    import where net ~ [ ::/0, 2a10:4646:4a0::/48+ ];
    export where net ~ [ 2a10:4646:4a0::/48+ ];
}

 

  • Routes : Comme pour l'IPv4, tu exportes 1 route (ton préfixe IPv6 vers l'extérieur) mais tu n'en importes aucune (0).

  • Import updates: 0 received : Contrairement à la session IPv4 qui avait reçu 2 mises à jour (puis les avait filtrées), ici, le voisin n'a envoyé absolument aucune route IPv6.

  • Export updates: 1 accepted : Ton annonce de préfixe IPv6 a bien été envoyée et acceptée par le voisin.